Zımba Tutucular

image
  • Ürün Görseli
  • image
  • Teknik Resim
  • MALZEME SERTLİK
    İmalat Çeliği 48-50 HRC
    261.
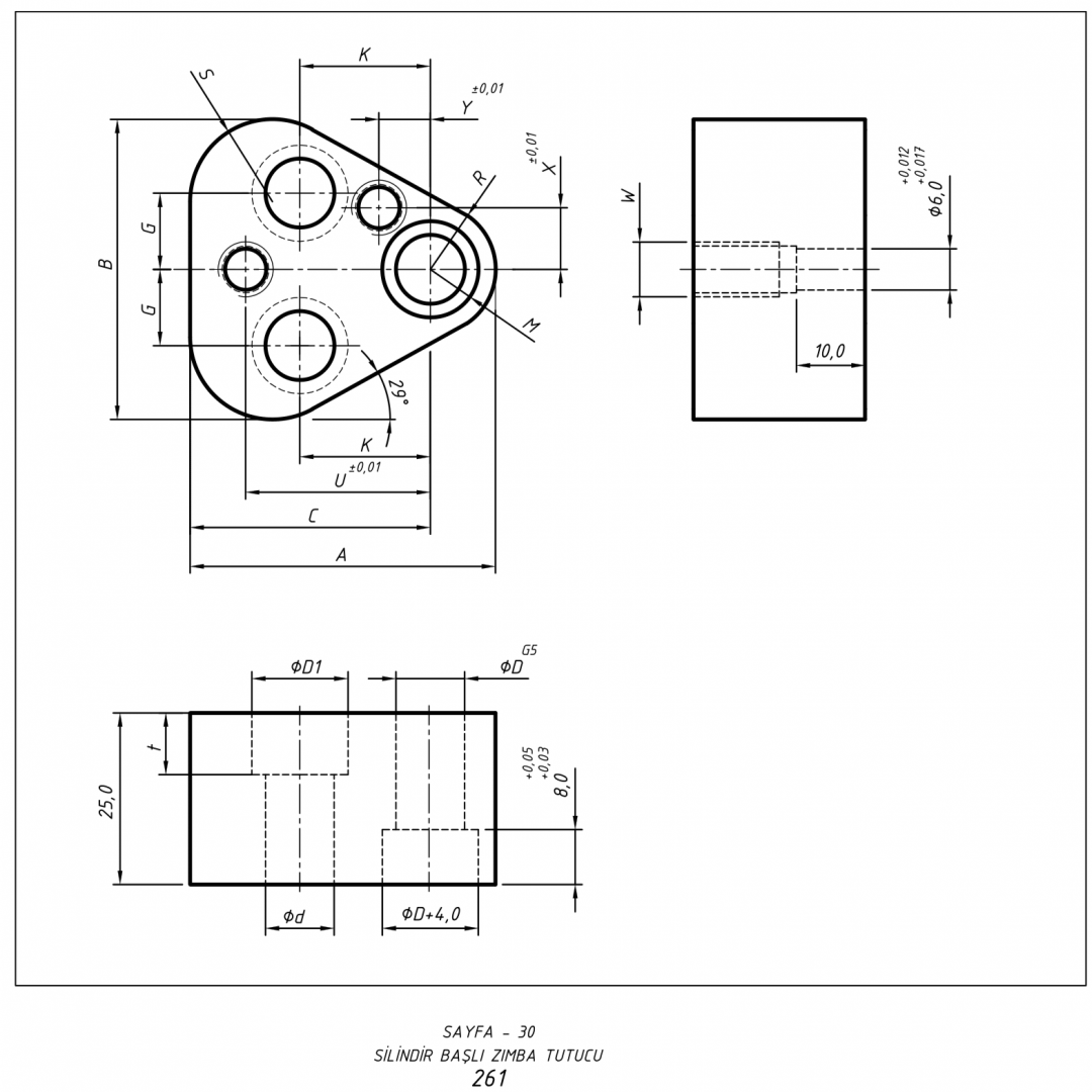
    D A B C G K M R S U X Y D1 d t W
    10 44,5 43,7 35,0 11,1 19,0 7,75 9,5 12,0 26,925 9,0 7,5 14,0 9,0 9,5 M8x35
    13 50,8 50,0 38,1 14,3 19,0 9,25 12,7 15,2 29,970 12,0 6,5 15,0 9,0 9,5 M8x35
    16 54,0 53,2 39,7 15,9 19,0 10,75 14,3 16,8 31,750 13,5 6,0 15,0 9,0 9,5 M8x35
    20 60,3 59,5 42,8 17,5 19,0 12,75 17,5 20,0 33,530 16,5 5,0 18,0 11,0 11,5 10x40
    25 69,9 69,1 47,7 19,8 23,8 15,25 22,2 24,7 40,640 22,0 7,0 20,0 13,5 13,5 M12x40
    32 69,9 69,1 47,7 19,8 23,8 18,75 22,2 24,7 40,640 22,0 7,0 20,0 13,5 13,5 M12x40
    SİPARİŞ ÖRNEĞİ
    Çap (d) 16
    Sipariş No 261.16
    ORDER EXAMPLE
    Diameter(d) 16
    Order Code 261.16

    Delik Zımbaları Teknik Özellikleri

    Kalıpyansan delik zımbaları, tüm delme ve kesme kalıplarında DIN / ISO standartlarına veya talep edilen özelliklere uygun olarak farklı form ve malzemelerde renkli metallerde (pirinç, bakır, alüminyum vb.) yumuşak, sert ve krom nikel (paslanmaz) saclarda delik delme işlemini gerçekleştirmek için üretilmektedir. Yüksek performans ve uzun kalıp ömrü sunan Kalıpyansan delik zımbaları, kalıp atölyesinde takım değiştirme ihtiyacını en aza indirerek maliyetleri önemli ölçüde azaltır. Matrisler, Kalıpyansan delik zımbalarının kullanıldığı her yerde tavsiye edilir. Tüm delme ve kesme kalıplarında DIN / ISO standartlarına veya istenilen özelliklerde delme işlemini yüksek performansla tamamlamak için üretilmektedir.

    İtici Pimler Teknik Özellikleri

    Kalıpyansan itici pimleri sertleştirilmiş ve çok hassas taşlanmış gövdeleri ile plastik ve metal enjeksiyon kalıplarında fark yaratır.