Silindir Başlı Kademeli Çapak İticili Şapkası Takviyeli Delik Zımbaları ve Profil Zımbalar


MALZEME CİNSİ | GÖVDE SERTLİĞİ | ŞAPKA SERTLİĞİ | MALZEME KODU |
---|---|---|---|
HWS %12 Cr: 1.2379 | 62 ± 2 HRC | 50 ± 3 HRC | A2 (HWS) |
HSS: 1.3343 | 64 ± 2 HRC | 53 ± 3 HRC | M2 (HSS) |
TOZ METAL: ASP 2023 | 64 ± 2 HRC | 53 ± 3 HRC | PM (PM4) |
PVD KAPLAMA: TiN / TiAlN / TiCN |
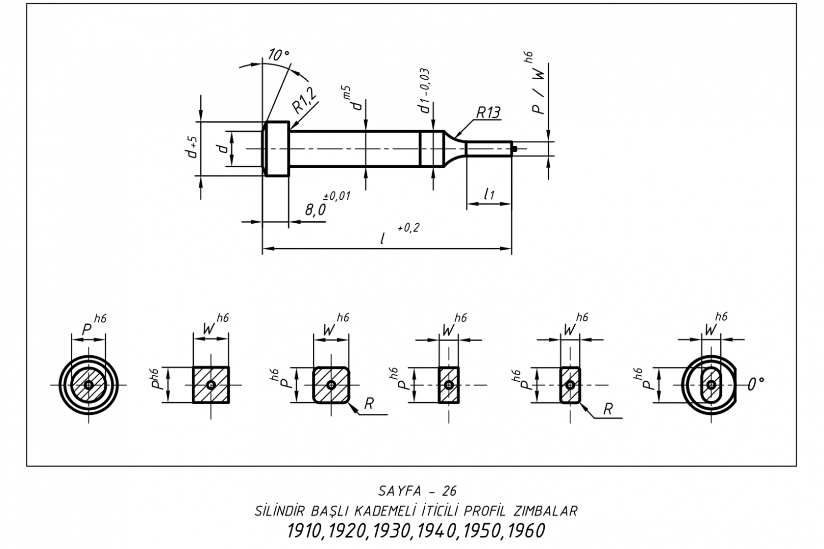
d | l1 | I | ||||||||||
---|---|---|---|---|---|---|---|---|---|---|---|---|
13,0 | 19,0 | 25,0 | 30,0 | 63,0 | 71,0 | 80,0 | 90,0 | 100,0 | Min. P Max. | Min. W | Max. P | |
5,0 | ● | ● | ● | ● | 1,60 - 4,95 | 1,60 | 4,95 | |||||
6,0 | ● | ● | ● | ● | ● | ● | 2,40 - 5,95 | 2,40 | 5,95 | |||
8,0 | ● | ● | ● | ● | ● | ● | 3,20 - 7,95 | 3,20 | 7,95 | |||
10,0 | ● | ● | ● | ● | ● | ● | 4,50 - 9,95 | 4,50 | 9,95 | |||
13,0 | ● | ● | ● | ● | ● | ● | 6,00 - 12,95 | 6,00 | 12,95 | |||
16,0 | ● | ● | ● | ● | ● | ● | 8,00 - 15,95 | 7,20 | 15,95 | |||
20,0 | ● | ● | ● | ● | ● | ● | 10,00 - 19,95 | 8,00 | 19,95 | |||
25,0 | ● | ● | ● | ● | ● | ● | 12,00 - 24,95 | 9,00 | 24,95 | |||
32,0 | ● | ● | ● | ● | ● | ● | 16,00 - 31,95 | 10,00 | 31,95 | |||
40,0 | ● | ● | ● | ● | ● | ● | 20,00 - 39,95 | 10,00 | 39,95 | |||
45,0 | ● | ● | ● | ● | ● | ● | 25,00 - 44,95 | 10,00 | 44,95 | |||
50,0 | ● | ● | ● | ● | ● | ● | 30,00 - 49,95 | 10,00 | 49,95 | |||
56,0 | ● | ● | ● | ● | ● | ● | 35,00 - 55,95 | 11,00 | 55,95 | |||
63,0 | ● | ● | ● | ● | ● | ● | 40,00 - 62,95 | 12,00 | 62,95 |
Talep üzerine farklı radüs ölçülerde üretilmektedir.
SİPARİŞ ÖRNEĞİ | SİPARİŞ ÖRNEĞİ | ||
---|---|---|---|
Zımba Kodu | 1910. | Zımba Kodu | 1950. |
Çap (d=10,0) | 1000. | Çap (d=13,0) | 1300. |
Boy (l=80) | 080. | Boy (l=100) | 100. |
Çap (P=5,0) | 0500. | Çap (P=12,0 / W=5,0) | 1200.0500. |
Boy (l1=19) | 19. | Boy (l1=19) | 19. |
Malzeme Kodu | M2 | R (R=2,0) | R2.0. |
Sipariş No | 1910.1000.080.0500.19.M2 | Malzeme Kodu | A2 |
Sipariş No | 1950.1300.100.1200.0500.19.R2.0.A2 |
Delik Zımbaları Teknik Özellikleri
Kalıpyansan delik zımbaları, tüm delme ve kesme kalıplarında DIN / ISO standartlarına veya talep edilen özelliklere uygun olarak farklı form ve malzemelerde renkli metallerde (pirinç, bakır, alüminyum vb.) yumuşak, sert ve krom nikel (paslanmaz) saclarda delik delme işlemini gerçekleştirmek için üretilmektedir. Yüksek performans ve uzun kalıp ömrü sunan Kalıpyansan delik zımbaları, kalıp atölyesinde takım değiştirme ihtiyacını en aza indirerek maliyetleri önemli ölçüde azaltır. Matrisler, Kalıpyansan delik zımbalarının kullanıldığı her yerde tavsiye edilir. Tüm delme ve kesme kalıplarında DIN / ISO standartlarına veya istenilen özelliklerde delme işlemini yüksek performansla tamamlamak için üretilmektedir.
İtici Pimler Teknik Özellikleri
Kalıpyansan itici pimleri sertleştirilmiş ve çok hassas taşlanmış gövdeleri ile plastik ve metal enjeksiyon kalıplarında fark yaratır.