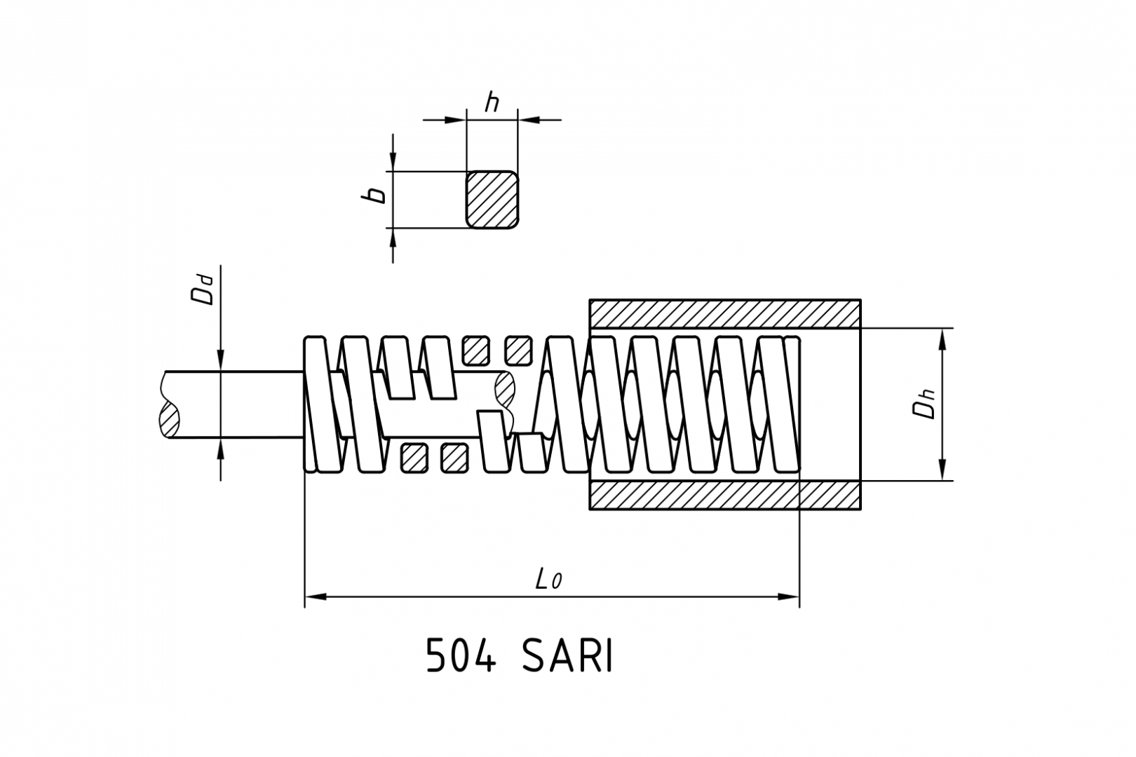
Sarı Kalıp Yayı – Özellikle Ağır Yüklü


Dh Yuva Çapı b xh mm |
Dd Malafa Çapı b xh mm |
L0 Serbest Boy mm |
Katalog No. | Yay Sabiti ± %10 N / mm |
17 % 3.000.000 |
20 % 1.500.000 |
25 % Maks. Esneme |
D Blok |
||||
---|---|---|---|---|---|---|---|---|---|---|---|---|
mm | N | mm | N | mm | N | mm | N | |||||
10 | 5 | 25 | 504.10.025 | 37,0 | 4,3 | 159 | 5,0 | 185 | 6,3 | 233 | 7,7 | 285 |
10 | 5 | 32 | 504.10.032 | 27,5 | 5,4 | 148 | 6,4 | 176 | 8,0 | 220 | 10,6 | 295 |
10 | 5 | 38 | 504.10.038 | 23,1 | 6,5 | 150 | 7,6 | 175 | 9,5 | 219 | 12,6 | 298 |
10 | 5 | 44 | 504.10.044 | 19,5 | 7,5 | 146 | 8,8 | 172 | 11,0 | 214 | 13,8 | 266 |
10 | 5 | 51 | 504.10.051 | 16,5 | 8,7 | 143 | 10,2 | 168 | 12,8 | 211 | 16,2 | 267 |
10 | 5 | 64 | 504.10.064 | 12,9 | 10,9 | 141 | 12,8 | 165 | 16,0 | 206 | 20,4 | 269 |
10 | 5 | 76 | 504.10.076 | 10,2 | 12,9 | 131 | 15,2 | 155 | 19,0 | 194 | 25,2 | 276 |
1,9 x 1,7 | 1,9 x 1,7 | 305 | 504.10.305 | 2,5 | 51,9 | 130 | 61,0 | 152 | 76,3 | 191 | 110,8 | 285 |
12,5 | 6,3 | 25 | 504.13.025 | 58,7 | 4,3 | 252 | 5,0 | 293 | 6,3 | 370 | 8,1 | 475 |
12,5 | 6,3 | 32 | 504.13.032 | 44,1 | 5,4 | 238 | 6,4 | 282 | 8,0 | 353 | 9,9 | 435 |
12,5 | 6,3 | 38 | 504.13.038 | 36,3 | 6,5 | 236 | 7,6 | 276 | 9,5 | 345 | 12,9 | 465 |
12,5 | 6,3 | 44 | 504.13.044 | 30,6 | 7,5 | 229 | 8,8 | 269 | 11,0 | 337 | 14,1 | 426 |
12,5 | 6,3 | 51 | 504.13.051 | 27,0 | 8,7 | 235 | 10,2 | 275 | 12,8 | 346 | 17,4 | 455 |
12,5 | 6,3 | 64 | 504.13.064 | 21,7 | 10,9 | 236 | 12,8 | 278 | 16,0 | 347 | 21,0 | 445 |
12,5 | 6,3 | 76 | 504.13.076 | 17,7 | 12,9 | 228 | 15,2 | 269 | 19,0 | 336 | 26,4 | 452 |
12,5 | 6,3 | 89 | 504.13.089 | 15,1 | 15,1 | 228 | 17,8 | 269 | 22,3 | 337 | 31,5 | 458 |
12,5 | 6,3 | 102 | 504.13.102 | 12,7 | 17,3 | 220 | 20,4 | 259 | 25,5 | 324 | 36,0 | 458 |
2,5 x 2,1 | 2,5 x 2,1 | 305 | 504.13.305 | 4,2 | 51,9 | 218 | 61,0 | 256 | 76,3 | 320 | 111,3 | 480 |
16 | 8 | 25 | 504.16.025 | 120,0 | 4,3 | 516 | 5,0 | 600 | 6,3 | 756 | 8,5 | 1005 |
16 | 8 | 32 | 504.16.032 | 89,0 | 5,4 | 481 | 6,4 | 570 | 8,0 | 712 | 11,0 | 978 |
16 | 8 | 38 | 504.16.038 | 73,1 | 6,5 | 475 | 7,6 | 555 | 9,5 | 694 | 13,2 | 950 |
16 | 8 | 44 | 504.16.044 | 62,1 | 7,5 | 466 | 8,8 | 546 | 11,0 | 683 | 14,7 | 896 |
16 | 8 | 51 | 504.16.051 | 53,5 | 8,7 | 465 | 10,2 | 546 | 12,8 | 685 | 17,7 | 925 |
16 | 8 | 64 | 504.16.064 | 43,3 | 10,9 | 472 | 12,8 | 554 | 16,0 | 693 | 21,9 | 903 |
16 | 8 | 76 | 504.16.076 | 35,6 | 12,9 | 459 | 15,2 | 541 | 19,0 | 676 | 27,8 | 950 |
16 | 8 | 89 | 504.16.089 | 30,3 | 15,1 | 457 | 17,8 | 539 | 22,3 | 676 | 31,2 | 920 |
16 | 8 | 102 | 504.16.102 | 26,4 | 17,3 | 457 | 20,4 | 538 | 25,5 | 673 | 37,9 | 972 |
16 | 8 | 115 | 504.16.115 | 22,4 | 19,6 | 439 | 23,0 | 515 | 28,8 | 645 | 44,5 | 995 |
3,2 x 2,9 | 3,2 x 2,9 | 305 | 504.16.305 | 8,5 | 51,9 | 441 | 61,0 | 518 | 76,3 | 648 | 113,5 | 950 |
20 | 10 | 25 | 504.20.025 | 295,0 | 4,3 | 1268 | 5,0 | 1475 | 6,3 | 1858 | 6,9 | 2024 |
20 | 10 | 32 | 504.20.032 | 226,0 | 5,4 | 1220 | 6,4 | 1446 | 8,0 | 1808 | 9,4 | 2105 |
20 | 10 | 38 | 504.20.038 | 178,0 | 6,5 | 1157 | 7,6 | 1353 | 9,5 | 1691 | 12,0 | 2125 |
20 | 10 | 44 | 504.20.044 | 150,0 | 7,5 | 1125 | 8,8 | 1320 | 11,0 | 1650 | 13,5 | 2013 |
20 | 10 | 51 | 504.20.051 | 130,0 | 8,7 | 1131 | 10,2 | 1326 | 12,8 | 1664 | 16,2 | 2075 |
20 | 10 | 64 | 504.20.064 | 101,0 | 10,9 | 1101 | 12,8 | 1293 | 16,0 | 1616 | 21,2 | 2097 |
20 | 10 | 76 | 504.20.076 | 81,8 | 12,9 | 1055 | 15,2 | 1243 | 19,0 | 1554 | 24,7 | 2015 |
20 | 10 | 89 | 504.20.089 | 70,6 | 15,1 | 1066 | 17,8 | 1257 | 22,3 | 1574 | 28,8 | 2002 |
20 | 10 | 102 | 504.20.102 | 61,2 | 17,3 | 1059 | 20,4 | 1248 | 25,5 | 1561 | 34,8 | 2108 |
20 | 10 | 115 | 504.20.115 | 54,6 | 19,6 | 1070 | 23,0 | 1256 | 28,8 | 1572 | 39,0 | 2065 |
20 | 10 | 127 | 504.20.127 | 48,6 | 21,6 | 1050 | 25,4 | 1234 | 31,8 | 1545 | 43,0 | 2043 |
20 | 10 | 139 | 504.20.139 | 43,4 | 23,8 | 1033 | 28,0 | 1215 | 35,0 | 1519 | 45,3 | 1946 |
20 | 10 | 152 | 504.20.152 | 40,3 | 25,8 | 1040 | 30,4 | 1225 | 38,0 | 1531 | 50,4 | 1965 |
4,2 x 3,7 | 4,2 x 3,7 | 305 | 504.20.305 | 21,0 | 51,9 | 1090 | 61,0 | 1281 | 76,3 | 1602 | 103,5 | 2195 |
25 | 12,5 | 25 | 504.25.025 | 459,0 | 4,3 | 1974 | 5,0 | 2295 | 6,3 | 2892 | 7,3 | 3350 |
25 | 12,5 | 32 | 504.25.032 | 373,8 | 5,4 | 2018 | 6,4 | 2392 | 8,0 | 2990 | 10,7 | 4006 |
25 | 12,5 | 38 | 504.25.038 | 345,0 | 6,5 | 2242 | 7,6 | 2622 | 9,5 | 3277 | 12,0 | 4152 |
25 | 12,5 | 44 | 504.25.044 | 243,2 | 7,5 | 1824 | 8,8 | 2140 | 11,0 | 2675 | 14,4 | 3515 |
25 | 12,5 | 51 | 504.25.051 | 206,8 | 8,7 | 1799 | 10,2 | 2109 | 12,8 | 2647 | 17,4 | 3610 |
25 | 12,5 | 64 | 504.25.064 | 160,4 | 10,9 | 1748 | 12,8 | 2053 | 16,0 | 2566 | 21,4 | 3445 |
25 | 12,5 | 76 | 504.25.076 | 129,0 | 12,9 | 1664 | 15,2 | 1961 | 19,0 | 2451 | 26,9 | 3520 |
25 | 12,5 | 89 | 504.25.089 | 109,4 | 15,1 | 1652 | 17,8 | 1947 | 22,3 | 2440 | 30,9 | 3415 |
25 | 12,5 | 102 | 504.25.102 | 95,1 | 17,3 | 1645 | 20,4 | 1940 | 25,5 | 2425 | 36,7 | 3534 |
25 | 12,5 | 115 | 504.25.115 | 84,9 | 19,6 | 1664 | 23,0 | 1953 | 28,8 | 2445 | 40,3 | 3455 |
25 | 12,5 | 127 | 504.25.127 | 76,3 | 21,6 | 1648 | 25,4 | 1938 | 31,8 | 2426 | 45,1 | 3440 |
25 | 12,5 | 139 | 504.25.139 | 68,6 | 23,8 | 1633 | 28,0 | 1921 | 35,0 | 2401 | 47,6 | 3280 |
25 | 12,5 | 152 | 504.25.152 | 63,2 | 25,8 | 1630 | 30,4 | 1921 | 38,0 | 2402 | 53,5 | 3395 |
25 | 12,5 | 178 | 504.25.178 | 53,3 | 30,3 | 1615 | 35,6 | 1897 | 44,5 | 2372 | 63,9 | 3445 |
25 | 12,5 | 203 | 504.25.203 | 46,7 | 34,5 | 1611 | 40,6 | 1896 | 50,8 | 2372 | 70,2 | 3297 |
5,5 x 4,6 | 5,5 x 4,6 | 305 | 504.25.305 | 30,6 | 51,9 | 1588 | 61,0 | 1867 | 76,3 | 2335 | 110,1 | 3403 |
32 | 16 | 38 | 504.32.038 | 525,2 | 6,5 | 3414 | 7,6 | 3991 | 9,5 | 4989 | 11,4 | 6020 |
32 | 16 | 44 | 504.32.044 | 422,6 | 7,5 | 3169 | 8,8 | 3719 | 11,0 | 4649 | 13,7 | 5815 |
32 | 16 | 51 | 504.32.051 | 351,8 | 8,7 | 3061 | 10,2 | 3588 | 12,8 | 4503 | 15,6 | 5505 |
32 | 16 | 64 | 504.32.064 | 268,2 | 10,9 | 2923 | 12,8 | 3433 | 16,0 | 4291 | 20,0 | 5384 |
32 | 16 | 76 | 504.32.076 | 217,4 | 12,9 | 2804 | 15,2 | 3304 | 19,0 | 4131 | 24,4 | 5330 |
32 | 16 | 89 | 504.32.089 | 181,1 | 15,1 | 2735 | 17,8 | 3223 | 22,3 | 4038 | 29,7 | 5355 |
32 | 16 | 102 | 504.32.102 | 155,7 | 17,3 | 2694 | 20,4 | 3176 | 25,5 | 3970 | 35,1 | 5440 |
32 | 16 | 115 | 504.32.115 | 138,7 | 19,6 | 2718 | 23,0 | 3190 | 28,8 | 3994 | 39,0 | 5460 |
32 | 16 | 127 | 504.32.127 | 122,9 | 21,6 | 2655 | 25,4 | 3122 | 31,8 | 3908 | 42,8 | 5305 |
32 | 16 | 139 | 504.32.139 | 111,9 | 23,8 | 2663 | 28,0 | 3133 | 35,0 | 3916 | 48,6 | 5458 |
32 | 16 | 152 | 504.32.152 | 101,9 | 25,8 | 2629 | 30,4 | 3098 | 38,0 | 3872 | 52,4 | 5345 |
32 | 16 | 178 | 504.32.178 | 88,6 | 30,3 | 2684 | 35,6 | 3154 | 44,5 | 3943 | 60,9 | 5370 |
32 | 16 | 203 | 504.32.203 | 75,6 | 34,5 | 2608 | 40,6 | 3069 | 50,8 | 3840 | 69,2 | 5259 |
32 | 16 | 254 | 504.32.254 | 59,5 | 43,2 | 2570 | 50,8 | 3022 | 63,5 | 3778 | 88,1 | 5355 |
7,3 x 5,8 | 7,3 x 5,8 | 305 | 504.32.305 | 49,6 | 51,9 | 2574 | 61,0 | 3026 | 76,3 | 3784 | 104,2 | 5105 |
40 | 20 | 51 | 504.40.051 | 628,0 | 8,7 | 5464 | 10,2 | 6406 | 12,8 | 8038 | 15,0 | 9420 |
40 | 20 | 64 | 504.40.064 | 485,0 | 10,9 | 5286 | 12,8 | 6208 | 16,0 | 7760 | 19,5 | 9495 |
40 | 20 | 76 | 504.40.076 | 368,0 | 12,9 | 4747 | 15,2 | 5594 | 19,0 | 6992 | 23,3 | 8830 |
40 | 20 | 89 | 504.40.089 | 319,0 | 15,1 | 4817 | 17,8 | 5678 | 22,3 | 7114 | 26,7 | 8570 |
40 | 20 | 102 | 504.40.102 | 280,0 | 17,3 | 4844 | 20,4 | 5712 | 25,5 | 7140 | 33,8 | 9498 |
40 | 20 | 115 | 504.40.115 | 245,0 | 19,6 | 4802 | 23,0 | 5635 | 28,8 | 7056 | 36,2 | 8868 |
40 | 20 | 127 | 504.40.127 | 220,0 | 21,6 | 4752 | 25,4 | 5588 | 31,8 | 6996 | 40,7 | 8995 |
40 | 20 | 139 | 504.40.139 | 188,0 | 23,8 | 4474 | 28,0 | 5264 | 35,0 | 6580 | 44,5 | 8455 |
40 | 20 | 152 | 504.40.152 | 165,0 | 25,8 | 4257 | 30,4 | 5016 | 38,0 | 6270 | 49,6 | 8335 |
40 | 20 | 178 | 504.40.178 | 145,0 | 30,3 | 4393 | 35,6 | 5162 | 44,5 | 6452 | 59,9 | 8745 |
40 | 20 | 203 | 504.40.203 | 130,0 | 34,5 | 4485 | 40,6 | 5278 | 50,8 | 6604 | 67,1 | 8855 |
40 | 20 | 254 | 504.40.254 | 105,0 | 43,2 | 4536 | 50,8 | 5334 | 63,5 | 6667 | 86,3 | 9235 |
8,4 x 7,5 | 8,4 x 7,5 | 305 | 504.40.305 | 88,0 | 51,9 | 4567 | 61,0 | 5368 | 76,3 | 6714 | 103,6 | 9095 |
50 | 25 | 64 | 504.50.064 | 711,0 | 10,9 | 7750 | 12,8 | 9101 | 16,0 | 11376 | 19,3 | 13685 |
50 | 25 | 76 | 504.50.076 | 572,7 | 12,9 | 7388 | 15,2 | 8705 | 19,0 | 10881 | 24,2 | 13840 |
50 | 25 | 89 | 504.50.089 | 474,6 | 15,1 | 7166 | 17,8 | 8448 | 22,3 | 10583 | 28,0 | 13300 |
50 | 25 | 102 | 504.50.102 | 404,6 | 17,3 | 7000 | 20,4 | 8254 | 25,5 | 10317 | 33,5 | 13568 |
50 | 25 | 115 | 504.50.115 | 352,0 | 19,6 | 6899 | 23,0 | 8096 | 28,8 | 10138 | 38,6 | 13587 |
50 | 25 | 127 | 504.50.127 | 313,5 | 21,6 | 6772 | 25,4 | 7963 | 31,8 | 9969 | 41,4 | 13080 |
50 | 25 | 139 | 504.50.139 | 275,0 | 23,8 | 6545 | 28,0 | 7700 | 35,0 | 9625 | 47,3 | 12960 |
50 | 25 | 152 | 504.50.152 | 241,0 | 25,8 | 6218 | 30,4 | 7326 | 38,0 | 9158 | 50,2 | 11998 |
50 | 25 | 178 | 504.50.178 | 215,0 | 30,3 | 6515 | 35,6 | 7654 | 44,5 | 9567 | 61,1 | 13135 |
50 | 25 | 203 | 504.50.203 | 185,6 | 34,5 | 6403 | 40,6 | 7535 | 50,8 | 9428 | 67,7 | 12660 |
50 | 25 | 254 | 504.50.254 | 151,8 | 43,2 | 6558 | 50,8 | 7711 | 63,5 | 9639 | 87,0 | 13310 |
11,5 x 9,0 | 11,5 x 9,0 | 305 | 504.50.305 | 125,7 | 51,9 | 6524 | 61,0 | 7668 | 76,3 | 9591 | 103,4 | 13130 |
Dh Yuva Çapı b xh mm |
Dd Malafa Çapı b xh mm |
L0 Serbest Boy mm |
Katalog No. | Yay Sabiti ± %10 N / mm |
17 % 3.000.000 |
20 % 1.500.000 |
25 % Maks. Esneme |
D Blok |
||||
---|---|---|---|---|---|---|---|---|---|---|---|---|
mm | N | mm | N | mm | N | mm | N | |||||
63 | 38 | 76 | 504.63.076 | 37,0 | 12,9 | 12255 | 15,2 | 14440 | 19,0 | 18050 | 15,5 | 14755 |
63 | 38 | 89 | 504.63.089 | 27,5 | 15,1 | 12352 | 17,8 | 14560 | 22,3 | 18241 | 20,0 | 19040 |
63 | 38 | 102 | 504.63.102 | 700,0 | 17,3 | 12110 | 20,4 | 14280 | 25,5 | 17850 | 30,7 | 21450 |
63 | 38 | 115 | 504.63.115 | 618,0 | 19,6 | 12113 | 23,0 | 14214 | 28,8 | 17798 | 34,9 | 21640 |
63 | 38 | 127 | 504.63.127 | 564,0 | 21,6 | 12182 | 25,4 | 14326 | 31,8 | 17935 | 38,0 | 21470 |
63 | 38 | 152 | 504.63.152 | 455,0 | 25,8 | 11739 | 30,4 | 13832 | 38,0 | 17290 | 47,2 | 21615 |
63 | 38 | 178 | 504.63.178 | 385,0 | 30,3 | 11665 | 35,6 | 13706 | 44,5 | 17132 | 55,8 | 21425 |
63 | 38 | 203 | 504.63.203 | 335,0 | 34,5 | 11557 | 40,6 | 13601 | 50,8 | 17018 | 64,8 | 21837 |
63 | 38 | 254 | 504.63.254 | 261,0 | 43,2 | 11275 | 50,8 | 13259 | 63,5 | 16573 | 86,7 | 22802 |
11,6 x 13,0 | 11,6 x 13,0 | 305 | 504.63.305 | 216,0 | 51,9 | 11210 | 61,0 | 13176 | 76,3 | 16481 | 105,7 | 23045 |
Kalıp Yayı Seçimi ve Kullanımı
Kalıpyanasan kalıp yayları; ISO 10243 standardında 4 farklı ve Kalıpyanasan özel standartlarında 2 farklı yükleme çeşidi olmak üzere toplam 6 farklı yükleme çeşidi ile tüm kalıp ve makina sektöründe üretimin özel ihtiyaçlarına cevap verecek nitelikte olup yüksek performans ve uzun çalışma ömrü için tasarlanmıştır.
Kalıp Yayı Seçerken:
- Kalıp yayları için verilen çap ve uzunluklara göre ölçüm tablosundan talep edilen basınç kuvvetinde seçim yapılır.
- Kalıp yayı çap ve uzunluğunun belirlenmediği durumlarda, yay uzunluğu tespit edilirken maksimum yay basıncının yine en uzun yay boyunda sağlanacağı dikkate alınmalıdır.
- Yapılacak seçimde hafif, orta veya ağır yüklemeye maruz kalacak yayların serbest uzunluğu, çalışma mesafesinin 6 katı olması tavsiye edilir. Özellikle ağır yüklemeye maruz kalacak yaylarda serbest uzunluğun çalışma mesafesinin 4 katı olması tavsiye edilir.
- Yüksekliğin yeterli olmadığı durumlarda daha kısa boylu yaylar seçilirken yay sayısı, takım konstrüksiyonuna uygun olarak, kontrollü olarak artırılmalıdır.
- Hızlı farklı endüstriler için; yükleme çeşitlerine göre renklendirilmiş kalıp yayları, geniş bir çap ve uzunluk çeşidine cevap verebilecek niteliktedir.
Teknik Özellikler
- Kalıpyanasan kalıp yayları; sadece özel üretim, yüksek alaşımlı, krom silisyum kalitesindeki 4 köşe profilli yay çeliğinden üretilir.
- Ekstra hafif, hafif, orta, ağır, özellikle ağır ve ultra ağır yüklü olmak üzere 6 farklı yükleme çeşidi kullanılmaktadır.
- Her bir kalıp yayı en uygun şekli sarma meyili, helis sayısı ve mümkün olan en büyük malzeme hacmi ile tüm koşullara cevap verebilecek niteliktedir. Kenar büyüklüğü kalıp yayının esnemesini önleyen bir dirençtir.
- Delik ve malafa çaplarının uyumuna dikkat edilmelidir. Kalıp yayları 9 farklı delik ve malafa çapına göre düzenlenmiştir. Kalıp yayı çapları özel boyutlarda olup bahsi geçen delik ve malafa çaplarına uygundur.
- Kalıp yayı uçlarının oturtulmuş olmasına ve dik açıda taşlanmasına dikkat edilmelidir. Yay sarımı sırasında uçlar oturtulmuş olup büyük taşlanma yüzeyi elde edilmiştir. Kalıp yayının her iki baskı yüzeyinin de 90 derecede taşlanarak plakalara dikey olarak oturtması, maksimum baskı yüzeyi ve performans artışı sağlar.
- Kalıpyanasan kalıp yayları maksimum 250°C sıcaklık ortamında çalışabilmektedir.
- Kalıpyanasan kalıp yayları 120°C’ye kadar kuvvet kaybı göstermemektedir. Yayların 120°C’nin üstünde çalıştığı koşullarda artan her 50°C’de ortalama %1’lik kuvvet kaybı hesaplanmalıdır.
- Yay değişimi esnasında tek yay değiştirilmemelidir. Maksimum verimi elde edebilmek için aynı grupta bulunan tüm yay grubu birlikte değiştirilmelidir.
- Yayların fiziksel özellikleri değiştirilemezdir. (Boy kesmesi, die iç çap ölçüsüne müdahale vb.)